您好!欢迎访问无锡市胜杰化工设备制造有限公司!
设为首页 | 加为收藏

无锡市胜杰化工设备制造有限公司

专业新型片式冷凝器、搪玻璃管道、搪瓷碟片式冷凝器生产厂家

全国咨询热线

139-6188-9953

你的位置:首页 > 产品展示 > 搅拌器系列

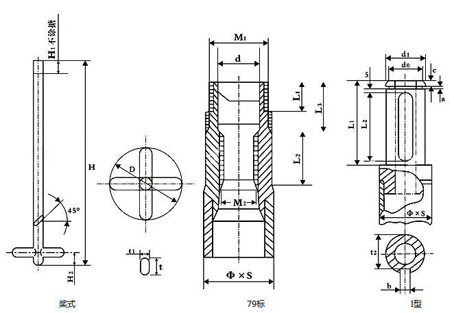
浆式搅拌器


产品信息

公司主要生产的搪玻璃设备有:搪玻璃新型片式冷凝器、搪玻璃管道、搪瓷碟片式冷凝器、搪瓷管道、搪瓷塔节、列管式冷凝器、螺旋板式换热器、钢衬四氟管道、搪瓷测温阀、搪玻璃设备、搪瓷设备、非标搅拌及各种非标设备等。敬请广大新老客户光临洽谈,并向多年关心我公司的新老客户致谢!

咨询热线:

139-6188-9953

  • 产品详情

浆式搅拌器结构图



79标尺寸表 mm

规格
φ×S
H
H1
H2
D
t
t1
d
M1
M2
L1
L2
L3
50L
40×4.5
830
40
70
300
38
20
30
39×3-左
24
18
35
33
100L
40×4.5
960
40
70
300
38
20
30
39×3-左
24
18
35
33
200L
50×4.5
1200
50
80
400
46
25
39
48×3-左
33
20
35
44
300L
65×5
1350
80
100
500
60
30
39
48×3-左
33
20
35
47
500L
65×5
1540
80
100
500
60
30
39
48×3-左
33
20
35
47
1000L
80×6
1840
115
120
700
86
43
50
64×4-左
42
20
45
53
1500L
80×6
2092
115
120
700
86
43
50
64×4-左
42
20
45
53
2000L
80×6
2430
115
135
700
86
43
50
64×4-左
42
20
45
53
3000L
95×8
2500
125
135
800
94
50
60
76×4-左
52
28
50
58
5000L
95×8
3000
125
150
850
94
50
60
76×4-左
52
28
50
58
5000L
95×8
3160
125
150
900
94
50
60
90×4-左
64
28
65
65


69标尺寸表 mm

规格
φ×S
H
H1
H2
H3
B
R1
R2

t1

t
M1
L
50L
42×6
724
60
190
225
400
397
127
50
28
33×2
60
100L
42×6
855
60
245
280
480
480
167
50
28
33×2
60
200L
50×6
1145
80
280
330
560
496
206
62
30
42×3
55
300L
50×8
1250
80
320
370
640
566
206
62
30
42×3
55
500L
60×8
1480
90
450
530
690
712
247
70
42
48×3
65
1000L
70×8
1790
90
460
560
920
813
288
81.5
42
60×4
80
1500L
76×8
2010
95
520
640
1040
919
313
96.5
40
68×4
80
2000L
89×8
2110
100
600
745
1160
1010
365
108
55
78×4
90
3000L
89×8
2720
100
600
745
1160
1010
365
108
55
78×4
90
5000L
95×8
3000
120
750
910
1420
1281
391
115
60
85×4
95


Ⅰ型尺寸表 mm

规格
φ×S
H
H2
D
t
t1
t2
d1
d0
L1
L2
a
b
t2
c
6300L
95×8
3500
135
720
115
60
60
70
60
130
100
8
20
62.5
7
8000L
95×8
3600
135
880
115
60
60
70
60
130
100
8
20
62.5
7
10000L
110×10
3780
155
980
132
70
70
90
80
170
140

10

25
80
8
12500L
110×10
4290
155
980
132
70
70
90
80
170
140
10
25
81
8
16000L
125×10
4580
175
980
153
76
76
90
80
170
140

10

25
81
8
20000L
140×12
4860
175
1080
170
80
80
90
80
170
140
10
25
81
8

布尔马金式、开启涡轮式、推进式搅拌及非标定制


上一产品:叶轮式搅拌器 下一产品:搪玻璃温度计套管

相关产品

版权所有 © 无锡市胜杰化工设备制造有限公司,本网站部分图片来源于互联网,如果涉及版权问题,请按网站上公布的联系方式告知删除。苏ICP备2022044468号
咨询热线
24小时服务热线
139-6188-9953
189-1238-8718
伊先生